I’m a bit of a Deltalab fan. The first one I used was an Acousticomputer – a simple delay line with an up / down toggle switch to change delay time. It was limited but intriguing. With more facilities & longer delay times the later Effectrons really hit the spot and, even now, are great tools for warping & twisting sounds
I am collecting Deltalab & Effectron info together on this page so check back for updates!
Some items have a PDF link to a user manual or catalogue or a schematic
Product links & Info
Effectron
- Effectron ADM 1024
- Effectron I ADM 1020
- Effectron II ADM 256 – Owners Manual
- Effectron II ADM 1024
- Effectron III ADM 1030
- Effectron ADM 64 – Owners Manual
- Effectron II ADM 64 – PDF
- Effectron ADM 256
- Effectron JR 1050 (brown)
Super Time Line
- Super Time Line ADM 512
- Super Time Line 2048 – PDF – Schematic
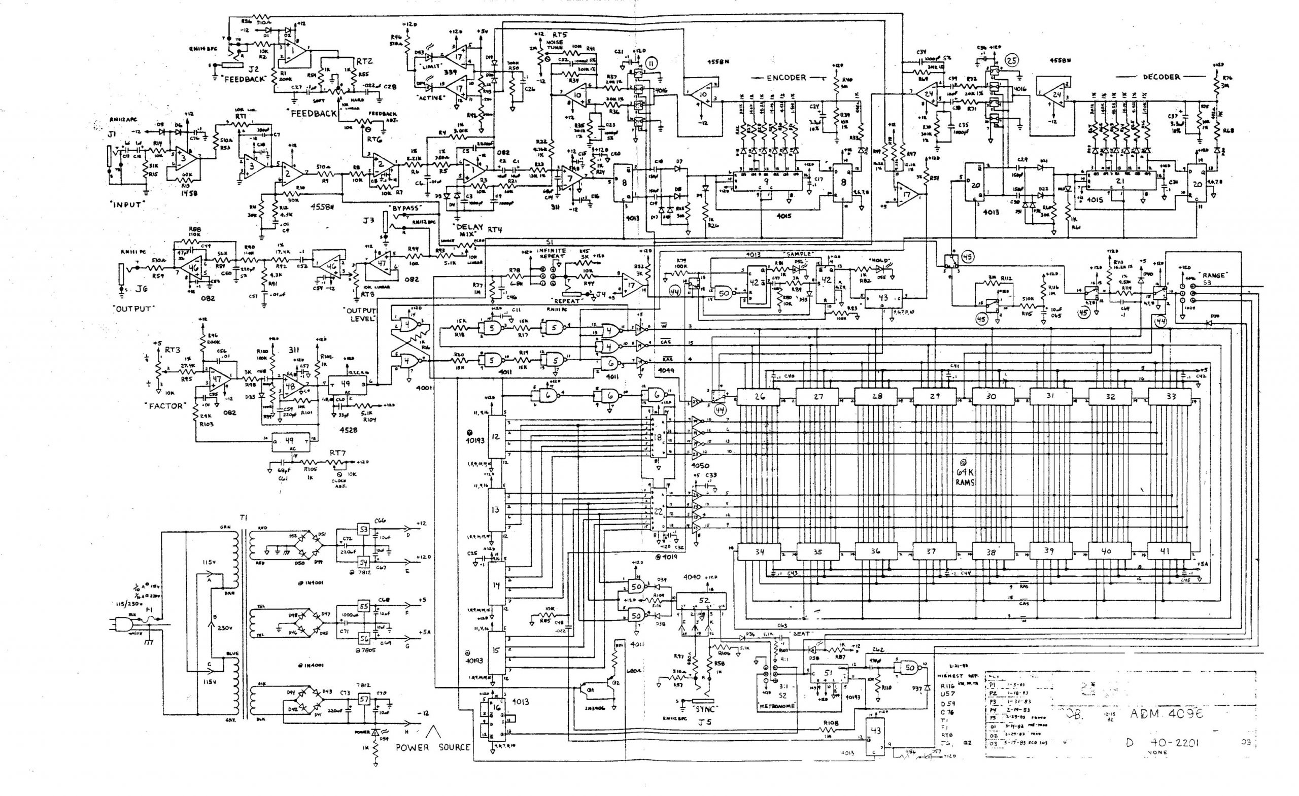
- Echotron ADM 4096 – PDF – Schematic
Other Deltalab kit
- DL-2 – Schematic
- DL-4 Time Line – PDF
- Echotron Jr – Schematic
Random weblinks
Preservation Sound
http://www.preservationsound.com/?p=2088
TapeOp forum
https://messageboard.tapeop.com/viewtopic.php?t=59090
https://messageboard.tapeop.com/viewtopic.php?t=83894
Music Electronics Forum
https://music-electronics-forum.com/showthread.php?t=3678
https://andrewapeterson.com/2013/08/deltalab-effectron-i-ii-iii-adm-blue-digital-delays-from-the-80s-what-i-know-so-far/
Youtube Demos
Youtube demo (weird noises mainly)
Period adverts
Effectron – PDF
Effectron Ad 1 –
Effectron Ad 2 –

Effectron I – II – III features
EffectronCatalog



